Greens Combustion design and supply a full range of state-of-the-art ignition systems to provide instant, safe and reliable light off for most burner and flare applications. Where applicable, Greens Combustion Limited ignition systems can be supplied with a range of compact electric ignition and detection enclosures to facilitate both local and remote ignition control and flame status monitoring.
This page includes navigation shortcuts to help you explore our ignition systems with ease. Each section includes a shortcut list to help guide you through our range of ignition systems. Start by using the main page shortcuts to access each product category, then refer to the section-specific shortcuts for detailed subtypes and gallery content within each area.
Greens Combustion design and supply a full range of state-of-the-art ignition systems to provide instant, safe and reliable light off for most burner and flare applications. Where applicable, Greens Combustion Limited ignition systems can be supplied with a range of compact electric ignition and detection enclosures to facilitate both local and remote ignition control and flame status monitoring.
This page includes navigation shortcuts to help you explore our ignition systems with ease. Each section includes a shortcut list to help guide you through our range of ignition systems. Start by using the main page shortcuts to access each product category, then refer to the section-specific shortcuts for detailed subtypes and gallery content within each area.
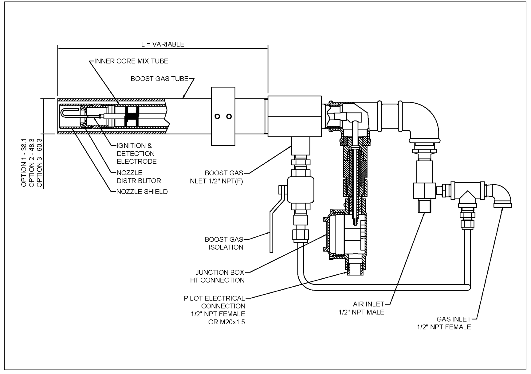
Whether your pilot needs be for new build, retrofit or upgrade, Greens Combustion have a selection of durable gas pilot models for all burner and flare applications, each designed to ensure robust ignition and stable operation across a full range of fuel gases and arduous conditions.
















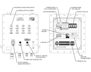
Our pilot control units utilise proven high-tension or energy technology for remote pilot ignition, thus removing the need for operator presence within hazardous environments around fired equipment. In addition to reliable ignition, it is essential that the pilot flame be accurately verified, our Integrated control unit logic automatically switches to detection mode post ignition to detect the presence and condition of the pilot flame.




Close and accurate control of pilot gas and air is essential in ensuring a correctly metered combustible mix at the pilot nozzle for both ignition and detection. Greens can offer bespoke gas and air controls designed to the exacting demands of international combustion and fuel handling regulations. The controls provide pressure regulation, indication, isolation and pre-mixing upstream of the pilot and can be integrated with our ignition and detection control units to provide auto shut-off at loss of a pilot flame to eliminate the risk of a deflagration or detonation.




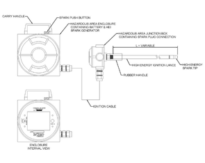
Greens offer portable and fixed high-energy (HE) ignition systems where assured spark ignition of both gas and liquid fuel is required under any condition i.e. moist environment, high-pressure chamber etc. A portable HE igniter offers a cost effective solution where infrequent ignition across a high quantity of burners is required. Alternatively, if fixed HE ignition is desired bespoke retraction systems ensure the ignition tip is retracted from the hot & corrosive atmosphere after ignition.




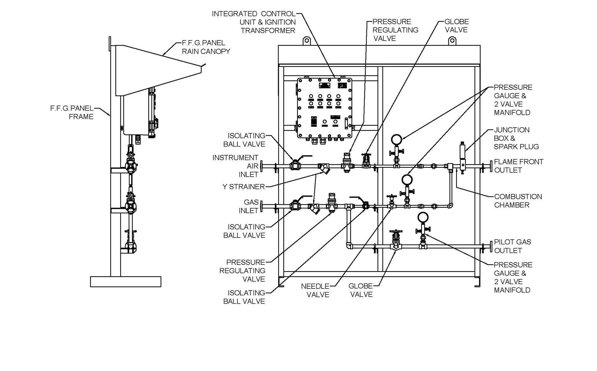
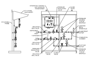
The flame front generator is a renowned, cost effective and time proven pilot ignition device that can be utilised with all types of ground and elevated flare systems. The FFG piping system is configured to accurately mix and ignite a blend of pilot fuel gas and compressed air that results in the propagation of a flame front through a flame front line to the flare pilot for ignition of the pilot fuel gas. The FFG is located at grade for ease of operation and maintenance and is integrated with a control panel for manual and automatic ignition control, valve actuation and pilot flame monitoring.


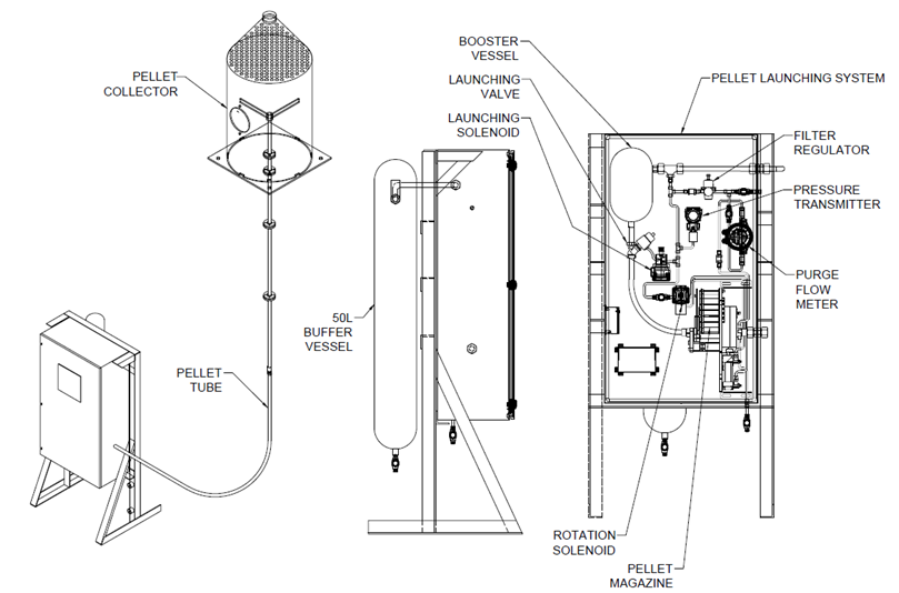
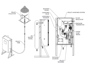
The demand from industry to transition away from continuous flare pilots has resulted in the development of the PTIS offering advanced flare ignition using a pyrotechnical pellet launched through a guide pipe to produce a highly reliable spark shower ignition at the flare tip. The PTIS provides 99.8% reliable, safe and on-demand ignition, regardless of weather conditions, thus minimising pollutant emissions by eliminating the need for continuous pilots and limiting the release of unignited flare gas to atmosphere.


Greens Combustion design and supply a full range of state-of-the-art ignition systems to provide instant, safe and reliable light off for most burner and flare applications. Where applicable, Greens Combustion Limited ignition systems can be supplied with a range of compact electric ignition and detection enclosures to facilitate both local and remote ignition control and flame status monitoring.
This page includes navigation shortcuts to help you explore our ignition systems with ease. Each section includes a shortcut list to help guide you through our range of ignition systems. Start by using the main page shortcuts to access each product category, then refer to the section-specific shortcuts for detailed subtypes and gallery content within each area.
Whether your pilot needs be for new build, retrofit or upgrade, Greens Combustion have a selection of durable gas pilot models for all burner and flare applications, each designed to ensure robust ignition and stable operation across a full range of fuel gases and arduous conditions.
Our pilot control units utilise proven high-tension or energy technology for remote pilot ignition, thus removing the need for operator presence within hazardous environments around fired equipment. In addition to reliable ignition, it is essential that the pilot flame be accurately verified, our Integrated control unit logic automatically switches to detection mode post ignition to detect the presence and condition of the pilot flame.
Close and accurate control of pilot gas and air is essential in ensuring a correctly metered combustible mix at the pilot nozzle for both ignition and detection. Greens can offer bespoke gas and air controls designed to the exacting demands of international combustion and fuel handling regulations. The controls provide pressure regulation, indication, isolation and pre-mixing upstream of the pilot and can be integrated with our ignition and detection control units to provide auto shut-off at loss of a pilot flame to eliminate the risk of a deflagration or detonation.
Greens offer portable and fixed high-energy (HE) ignition systems where assured spark ignition of both gas and liquid fuel is required under any condition i.e. moist environment, high-pressure chamber etc. A portable HE igniter offers a cost effective solution where infrequent ignition across a high quantity of burners is required. Alternatively, if fixed HE ignition is desired bespoke retraction systems ensure the ignition tip is retracted from the hot & corrosive atmosphere after ignition.
The flame front generator is a renowned, cost effective and time proven pilot ignition device that can be utilised with all types of ground and elevated flare systems. The FFG piping system is configured to accurately mix and ignite a blend of pilot fuel gas and compressed air that results in the propagation of a flame front through a flame front line to the flare pilot for ignition of the pilot fuel gas. The FFG is located at grade for ease of operation and maintenance and is integrated with a control panel for manual and automatic ignition control, valve actuation and pilot flame monitoring.
The demand from industry to transition away from continuous flare pilots has resulted in the development of the PTIS offering advanced flare ignition using a pyrotechnical pellet launched through a guide pipe to produce a highly reliable spark shower ignition at the flare tip. The PTIS provides 99.8% reliable, safe and on-demand ignition, regardless of weather conditions, thus minimising pollutant emissions by eliminating the need for continuous pilots and limiting the release of unignited flare gas to atmosphere.